Specifications
Surface Treatments
Certifications
- ISO 9001 - 2015 Certified
- PED 2014/68/EC
- NACE MR0175/ISO 15156-2
- NORSOK M-650
- DFAR
- MERKBLATT AD 2000 W2/W7/W10
TorqBolt Inc. is a leading manufacturer and supplier of A286 Flat Head Screws for top-notch fastening applications in various industries. We stock the best quality Alloy A286 products in large varieties, especially in sizes, shapes, and configurations. When customers seek a product of a particular specification, our engineers make extraordinary efforts to design and produce the required product. Alloy A286 is a super-alloy material with creep resistance, oxidation resistance, and corrosion resistance. At elevated temperatures of up to 1300°F (700°C), the A286 Flat Head Screws provide high levels of strength. One can also superior performance even in the strong acid environments, however, it is not recommended to exercise such methods.
| Nickel | 24.0-27.0 |
|---|---|
| Iron | Balance* |
| Chromium | 13.5-16.0 |
| Titanium | 1.90-2.35 |
| Molybdenum | 1.0-1.5 |
| Vanadium | 0.10-0.50 |
| Carbon | 0.08 max. |
| Manganese | 2 max. |
| Silicon | 1 max. |
| Aluminum | 0.35 max. |
| Sulfur | 0.03 max. |
| Boron | 0.001-0.01 |
| VdTÜV Werkstoffblatt 435 | DIN EN 10269 | ASTM A453 Grade 660 | |
|---|---|---|---|
| C, max. | 0,08 | 0,03 - 0,08 | 0,08 |
| Mn, max. | 2,00 | 1,00 - 2,00 | 2,00 |
| P, max. | 0,030 | 0,025 | 0,040 |
| S, max. | 0,030 | 0,015 | 0,030 |
| Si, max. | 1,00 | 1,00 | 1,00 |
| Cr | 13,5 - 16,0 | 13,5 - 16,0 | 13,5 - 16,0 |
| Ni | 24,0 - 27,0 | 24,0 - 27,0 | 24,0 - 27,0 |
| Mo | 1,00 - 1,50 | 1,00 - 1,50 | 1,00 - 1,50 |
| Ti | 1,9 - 2,3 | 1,90 - 2,30 | 1,90 - 2,35 |
| Al, max. | 0,35 | 0,35 | 0,35 |
| V | 0,10 - 0,50 | 0,10 - 0,50 | 0,10 - 0,50 |
| B | 0,003 - 0,010 | 0,003 - 0,010 | 0,001 - 0,010 |
| Temp | Ultimate Tensile Strength | 0.2% Yield Strength | Elong in 2″ | Reduction of Area | Charpy V-notch |
|---|---|---|---|---|---|
| °F | psi | psi | % | % | ft-lb |
| RT* | 95,000* | 50,000* | 40* | - | - |
| RT | 145000 | 95000 | 24 | 43 | - |
| 400 | 143000 | 93000 | 21 | 53 | 59 |
| 800 | 138000 | 93000 | 18 | 35 | 51 |
| 1000 | 131000 | 87000 | 18 | 31 | 45 |
| 1200 | 103000 | 88000 | 13 | 14 | 35 |
| 1400 | 64000 | 62000 | 18 | 23 | - |
| Nom Size | Basic Dia | Basic F | Max F | Min F | Max G | Min G | Max G1 | Min G1 | Max H | Min H |
|---|---|---|---|---|---|---|---|---|---|---|
| 0 | 0.06 | 5/32 | 0.156 | 0.15 | 0.221 | 0.206 | 0.18 | 0.171 | 0.05 | 0.043 |
| 1 | 0.073 | 5/32 | 0.156 | 0.15 | 0.221 | 0.206 | 0.18 | 0.171 | 0.05 | 0.043 |
| 2 | 0.086 | 3/16 | 0.188 | 0.18 | 0.265 | 0.247 | 0.217 | 0.205 | 0.066 | 0.057 |
| 3 | 0.099 | 3/16 | 0.188 | 0.18 | 0.265 | 0.247 | 0.217 | 0.205 | 0.066 | 0.057 |
| 4 | 0.112 | 1/4 | 0.25 | 0.241 | 0.354 | 0.331 | 0.289 | 0.275 | 0.098 | 0.087 |
| 5 | 0.125 | 5/16 | 0.312 | 0.302 | 0.442 | 0.415 | 0.361 | 0.344 | 0.114 | 0.102 |
| 6 | 0.138 | 5/16 | 0.312 | 0.302 | 0.442 | 0.415 | 0.361 | 0.344 | 0.114 | 0.102 |
| 1/4 | 0.164 | 11/32 | 0.344 | 0.332 | 0.486 | 0.456 | 0.397 | 0.378 | 0.13 | 0.117 |
| 10 | 0.19 | 3/8 | 0.375 | 0.362 | 0.53 | 0.497 | 0.433 | 0.413 | 0.13 | 0.117 |
| 12 | 0.216 | 7/16 | 0.438 | 0.423 | 0.619 | 0.581 | 0.505 | 0.482 | 0.161 | 0.148 |
| 1/4 | 0.25 | 7/16 | 0.438 | 0.423 | 0.619 | 0.581 | 0.505 | 0.482 | 0.193 | 0.178 |
| 5/16 | 0.3125 | 9/16 | 0.562 | 0.545 | 0.795 | 0.748 | 0.65 | 0.621 | 0.225 | 0.208 |
| 3/8 | 0.375 | 5/8 | 0.625 | 0.607 | 0.884 | 0.833 | 0.722 | 0.692 | 0.257 | 0.239 |
|
||||||||||
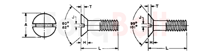
| Nominal Sizea or Basic Screw Dia. | Head Dia., A | Head Height, H | Slot Width, J | Slot Depth, T | ||||
|---|---|---|---|---|---|---|---|---|
| Max., Edge Sharp | Min., Edge Rounded or Flat | Ref. | Max. | Min. | Max. | Min. | ||
| 0000 | 0.0210 | 0.043 | 0.037 | 0.009 | 0.008 | 0.005 | 0.008 | 0.004 |
| 000 | 0.0340 | 0.064 | 0.058 | 0.014 | 0.012 | 0.008 | 0.011 | 0.007 |
| 00 | 0.0470 | 0.093 | 0.085 | 0.020 | 0.017 | 0.010 | 0.013 | 0.008 |
| 0 | 0.0600 | 0.119 | 0.096 | 0.026 | 0.023 | 0.016 | 0.013 | 0.008 |
| 1 | 0.0730 | 0.146 | 0.120 | 0.031 | 0.026 | 0.019 | 0.016 | 0.010 |
| 2 | 0.0860 | 0.172 | 0.143 | 0.037 | 0.031 | 0.023 | 0.019 | 0.012 |
| 3 | 0.0990 | 0.199 | 0.167 | 0.043 | 0.035 | 0.027 | 0.022 | 0.014 |
| 4 | 0.1120 | 0.225 | 0.191 | 0.049 | 0.039 | 0.031 | 0.024 | 0.017 |
| 1/4 (0.2500) | 0.1380 | 0.279 | 0.238 | 0.060 | 0.048 | 0.039 | 0.030 | 0.022 |
| 8 | 0.1640 | 0.332 | 0.285 | 0.072 | 0.054 | 0.045 | 0.036 | 0.027 |
| 10 | 0.1900 | 0.385 | 7/16 | 0.438 | 0.060 | 0.050 | 0.042 | 0.031 |
| 1/4 | 0.2500 | 0.507 | 0.442 | 0.110 | 0.075 | 0.064 | 0.055 | 0.042 |
| 5/16 | 0.3125 | 0.635 | 0.556 | 0.138 | 0.084 | 0.072 | 0.069 | 0.053 |
| 3/8 | 0.3750 | 0.762 | 0.670 | 0.165 | 0.094 | 0.081 | 0.083 | 0.065 |
|
||||||||
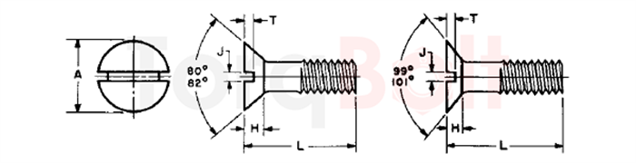
| SLOTTED FLAT,COUNTERSUNK HEAD TYPE | |||||||||
|---|---|---|---|---|---|---|---|---|---|
| Nominal Sizea or Basic Screw Dia. | Max.,Lb | Head Dia., A | Head Height, H | Slot Width, J | Slot Depth, T | ||||
| Max., Edge Sharp | Min., Edge c | Ref. | Max. | Min. | Max. | Min. | |||
| 0000 | 0.0210 | …. | 0.043 | 0.037 | 0.011 | 0.008 | 0.004 | 0.007 | 0.003 |
| 000 | 0.0340 | …. | 0.064 | 0.058 | 0.016 | 0.011 | 0.007 | 0.009 | 0.005 |
| 00 | 0.0470 | …. | 0.093 | 0.085 | 0.028 | 0.017 | 0.010 | 0.014 | 0.009 |
| 0 | 0.0600 | 1/8 | 0.119 | 0.099 | 0.035 | 0.023 | 0.016 | 0.015 | 0.010 |
| 1 | 0.0730 | 1/8 | 0.146 | 0.123 | 0.043 | 0.026 | 0.019 | 0.019 | 0.012 |
| 2 | 0.0860 | 1/8 | 0.172 | 0.147 | 0.051 | 0.031 | 0.023 | 0.023 | 0.015 |
| 3 | 0.0990 | 1/8 | 0.199 | 0.171 | 0.059 | 0.035 | 0.027 | 0.027 | 0.017 |
| 4 | 0.1120 | 3/,16 | 0.225 | 0.195 | 0.067 | 0.039 | 0.031 | 0.030 | 0.020 |
| 5 | 0.1250 | 3/,16 | 0.252 | 0.220 | 0.075 | 0.043 | 0.035 | 0.034 | 0.022 |
| 6 | 0.1380 | 3/,16 | 0.279 | 0.244 | 0.083 | 0.048 | 0.039 | 0.038 | 0.024 |
| 8 | 0.1640 | 1/4 | 0.332 | 0.292 | 0.100 | 0.054 | 0.045 | 0.045 | 0.029 |
| 10 | 0.1900 | 5/16 | 0.385 | 0.340 | 0.116 | 0.060 | 0.050 | 0.053 | 0.034 |
| 1/4 (0.2500) |
0.2160 | 3/8 | 0.438 | 0.389 | 0.132 | 0.067 | 0.056 | 0.060 | 0.039 |
| 1/4 | 0.2500 | 7/16 | 0.507 | 0.452 | 0.153 | 0.075 | 0.064 | 0.070 | 0.046 |
| 5/16 | 0.3125 | 1/2 | 0.438 | 0.568 | 0.191 | 0.084 | 0.072 | 0.088 | 0.058 |
| 3/8 | 0.3750 | 9/16 | 0.762 | 0.685 | 0.230 | 0.094 | 0.081 | 0.106 | 0.070 |
| 7/16 | 0.4375 | 5/8 | 0.812 | 0.723 | 0.223 | 0.094 | 0.081 | 0.103 | 0.066 |
| 1/2 | 0.5000 | 3/4 | 0.875 | 0.775 | 0.223 | 0.106 | 0.091 | 0.103 | 0.065 |
| 9/16 | 0.5625 | … | 1.000 | 0.889 | 0.260 | 0.118 | 0.102 | 0.120 | 0.077 |
| 5/,8 | 0.6250 | … | 1.125 | 1.002 | 0.298 | 0.133 | 0.116 | 0.137 | 0.088 |
| 3/,4 | 0.7500 | … | 1.375 | 1.230 | 0.372 | 0.149 | 0.131 | 0.171 | 0.111 |
|
|||||||||
| CLOSE TOLERANCE 100-DEGREE FLAT COUNTERSUNK HEAD TYPE | |||||||||
|---|---|---|---|---|---|---|---|---|---|
| Nominal Sizea or Basic Screw Dia. | Head Dia., A | Head Height, H | Slot Width, J | Slot Depth, T | |||||
| Max., Edge Sharp | Min., Edge c | Ref. | Max. | Min. | Max. | Min. | |||
| 4 | 0.1120 | 0.225 | 0.191 | 0.049 | 0.039 | 0.031 | 0.024 | 0.017 | |
| 6 | 0.1380 | 0.279 | 0.238 | 0.060 | 0.048 | 0.039 | 0.030 | 0.022 | |
| 8 | 0.1640 | 0.332 | 0.285 | 0.072 | 0.054 | 0.045 | 0.036 | 0.027 | |
| 10 | 0.1900 | 0.385 | 0.333 | 0.083 | 0.060 | 0.050 | 0.042 | 0.031 | |
| 1⁄4 | 0.2500 | 0.507 | 0.442 | 0.110 | 0.075 | 0.064 | 0.055 | 0.042 | |
| 5⁄16 | 0.3125 | 0.635 | 0.556 | 0.138 | 0.084 | 0.072 | 0.069 | 0.053 | |
| 3⁄8 | 0.3750 | 0.762 | 0.670 | 0.165 | 0.094 | 0.081 | 0.083 | 0.065 | |
| 7⁄16 | 0.4375 | 0.890 | 0.783 | 0.193 | 0.094 | 0.081 | 0.097 | 0.076 | |
| 1⁄2 | 0.5000 | 1.017 | 0.897 | 0.221 | 0.106 | 0.091 | 0.111 | 0.088 | |
| 9⁄16 | 0.5625 | 1.145 | 1.011 | 0.249 | 0.118 | 0.102 | 0.125 | 0.099 | |
| 5⁄8 | 0.6250 | 1.272 | 1.124 | 0.276 | 0.133 | 0.116 | 0.139 | 0.111 | |
|
|||||||||
| Nominal Screw Size and Thread Pitch | Slotted and Style A | Style B | Dk | K | R | N | T | ||||||||||
|---|---|---|---|---|---|---|---|---|---|---|---|---|---|---|---|---|---|
| DS | DSHa | DS | LSHa | ||||||||||||||
| Body Diameter | Body and Shoulder Diameter | Shoulder Diameter | Body Diameter | Shoulder Length | Head Diameter | Head Height | Underhead Fillet Radius | Slot Width | Slot Depth | ||||||||
| Theoretical Sharp | Actual | ||||||||||||||||
| Max | Min | Max | Min | Min | Max | Min | Max | Min | Min | Max Ref | Max | Min | Max | Min | Max | Min | |
| M2 × 0.4b | 2.00 | 1.65 | 2.00 | 1.86 | 1.65 | 0.50 | 0.30 | 4.4 | 4.1 | 3.5 | 1.2 | 0.8 | 0.4 | 0.7 | 0.5 | 0.6 | 0.4 |
| M2.5 × 0.45 | 2.50 | 2.12 | 2.50 | 2.36 | 2.12 | 0.55 | 0.35 | 5.5 | 5.1 | 4.4 | 1.5 | 1.0 | 0.5 | 0.8 | 0.6 | 0.7 | 0.5 |
| M3 × 0.5 | 3.00 | 2.58 | 3.00 | 2.86 | 2.58 | 0.60 | 0.40 | 6.3 | 5.9 | 5.2 | 1.7 | 1.2 | 0.6 | 1.0 | 0.8 | 0.9 | 0.6 |
| M3.5 × 0.6 | 3.50 | 3.00 | 3.50 | 3.32 | 3.00 | 0.70 | 0.50 | 8.2 | 7.7 | 6.9 | 2.3 | 1.4 | 0.7 | 1.2 | 1.0 | 1.2 | 0.9 |
| M4 × 0.7 | 4.00 | 3.43 | 4.00 | 3.82 | 3.43 | 0.80 | 0.60 | 9.4 | 8.9 | 8.0 | 2.7 | 1.6 | 0.8 | 1.5 | 1.2 | 1.3 | 1.0 |
| M5 × 0.8 | 5.00 | 4.36 | 5.00 | 4.82 | 4.36 | 0.90 | 0.70 | 10.4 | 9.8 | 8.9 | 2.7 | 2.0 | 1.0 | 1.5 | 1.2 | 1.4 | 1.1 |
| M6 × 1 | 6.00 | 5.21 | 6.00 | 5.82 | 5.21 | 1.10 | 0.90 | 12.6 | 11.9 | 10.9 | 3.3 | 2.4 | 1.2 | 1.9 | 1.6 | 1.6 | 1.2 |
| M8 × 1.25 | 8.00 | 7.04 | 8.00 | 7.78 | 7.04 | 1.40 | 1.10 | 17.3 | 16.5 | 15.4 | 4.6 | 3.2 | 1.6 | 2.3 | 2.0 | 2.3 | 1.8 |
| M10 × 1.5 | 10.00 | 8.86 | 10.00 | 9.78 | 8.86 | 1.70 | 1.30 | 20.0 | 19.2 | 17.8 | 5.0 | 4.0 | 2.0 | 2.8 | 2.5 | 2.6 | 2.0 |
|
|||||||||||||||||